搡bbb搡bbbb搡bbbb,欧洲片女子奶大有奶水,日本老师扒裙子打光屁股,李蕾丽与黑人无删减版,yellow在线观看视频,卿本佳人电影未删版下载,太太万岁在线观看完整版免费 ,免费的黄色视屏
全國銷售熱線:025-52071378 / 84059708
[手機訪問請點擊這里-進入-手機版]  []
 當前位置:首頁 >>> 產品中心 >>> 工業級壓力傳感器 >>> 濺射薄膜高溫壓力傳感器 - 正文

濺射薄膜高溫壓力傳感器-詳細介紹

   歡迎撥打“全國銷售熱線:025-52071378”,交流技術與使用問題,并獲取“電子版詳細使用說明書,價格與正式報價”!
點擊這里給我發消息
點擊這里給我發消息
點擊這里給我發消息

濺射薄膜高溫壓力傳感器

產品簡介:


濺射薄膜壓力傳感器采用離子束濺射薄膜技術,全不銹鋼一體化結構,高靈敏度壓力芯體,全焊接封裝在不銹鋼殼體內,具有準確度高、輸出信號大、工作壽命長、適用溫度范圍寬、長期穩定性好,功耗低、無遲滯、重復性好等特點。耐受頻繁壓力沖擊、振動,5 倍以上壓力過載,主要應用于高端工業現場和軍事裝備。我們的技術團隊還可為您提供產品定制服務。

 

產品應用:


發動機、內燃機、柴油機、熱電機組、汽輪機、水輪機、機車制動系統
水下潛入設備和武器裝備、飛機液壓系統、航空航天液壓和氣壓系統、船舶及航海系統
油田油井儀器、油田測壓儀器、井下儀器、井上平臺
液壓機、試驗機、起重機液壓系統、油缸油壓
實驗室壓力校驗、流量調節系統、能源管理系統、供水系統
壓縮機、加氣機、制冷機、冷凍系統
教學儀器、正壓呼吸機、自救器
石化、環保、輕工、機械、冶金、水處理、醫藥、生化、發酵系統
液壓及氣動控制設備,工業過程檢測與控制

 

技術參數:

 

被測介質 氣體,液體及蒸汽(對316L不銹鋼不腐蝕的流體)
壓力類型 絕對壓力、密封參考壓力、通氣表壓力
量程 -0.1~0.3MPa…300MPa 之間任意可選
供電電源 3~15VDC(推薦10VDC)
輸出靈敏度 1.5 mV/V 、2.0 mV/V 、3.0 mV/V 可選(靈敏度×電壓=滿量程輸出)
內置變送器輸出 4~20mA、0~5VDC、0~10VDC、0.5~4.5VDC
非線性 0.02% FS 、0.04% FS、0.05% FS、0.06% FS 可選
重復性 0.02% FS、0.03% FS、0.05% FS 可選
綜合精度 0.05%FS、±0.1%FS、±0.2%FS、±0.5%FS 可選
長期穩定性 0.1%FS/年
工作介質溫度 -25~85℃、-40~125℃、-55~150℃、-10~175℃/420℃可選
工作環境溫度 -25~85℃、-40~125℃、-55~150℃、-10~175℃/250℃可選
零點溫漂 ≤0.005%FS/℃或≤0.01%FS/℃ 可選
靈敏度溫漂 ≤0.008%FS/℃或0.015%FS/℃ 可選
響應時間 ≤1毫秒(10%~90%)典型值
輸入阻抗 1.5kΩ、2.0kΩ、3.3kΩ
絕緣電阻 ≥1000 MΩ/100VDC
安全過載壓力 150%FS (1.5倍滿量程)
破壞壓力 500%FS (5倍滿量程)
振動 5~1000Hz,振幅2mm,X、Y、Z每向30分鐘,輸出變化小于0.03%FS
沖擊 50g;X、Y、Z三向,每向20ms;輸出變化小于0.03%FS
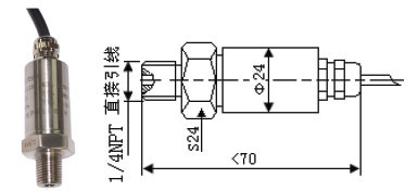
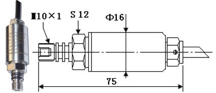
連接方式 M20×1.5、M18×1.5、M12×1、M10×1、G1/4 或指定
接液材料 膜片:17-4PH不銹鋼,其它:304不銹鋼
外殼防護等級 IP65或IP68
電氣輸出引線 航空接插件或直接密封引線

 

選型信息如下所示:

 

型號:NZ-S330A…

標準外形結構,內置壓力阻尼器,最高環境溫度可到175℃,密封引線,防護等級IP67。

 

濺射薄膜高溫壓力傳感器

 

型號:NZ-S330B....

內置壓力阻尼器,最高環境溫度175℃,航空接插件引線,方便現場安裝,防護等級IP65。

 

濺射薄膜高溫壓力傳感器

 

型號:NZ-S324A…

小巧型結構,可選擇內置阻尼器,最高介質溫度175℃,防護等級IP67,多種壓力接口螺紋可選擇。

 

濺射薄膜高溫壓力傳感器

 

型號:NZ-S316A…

小巧型結構,雙“O”圈密封壓力,方便現場快速安裝,可選擇內置阻尼器,最高介質溫度175℃,直接密封引線,防護等級IP66。

 

濺射薄膜高溫壓力傳感器

 

型號:NZ-S314A…

超小型結構,可選擇內置阻尼器,高溫型設計,最高環境溫度175℃,防護等級IP66,多種壓力接口螺紋可選擇。

 

濺射薄膜高溫壓力傳感器

上一產品:沒有了
下一產品:沒有了

濺射薄膜高溫壓力傳感器-相關產品列表

南京能兆是法國KIMO產品代理,同時也是儀器儀表廠家, 提供:風速儀高溫風速儀風量儀無紙記錄儀超聲波流量計溫度巡檢儀微壓差計 等產品.
本站版權-仿冒必究 Copyright ©2008-2038 南京能兆科技有限公司 蘇ICP備08004781號 蘇ICP備08004781號-2
電話:025-52071378  傳真:025-52071637(周一至周五:8:30-17:30) 網站地圖
銷售熱線:025-52071378(周一至周日:8:30-20:30)
電子信箱:23019869qq.com 網址:www.futailai.com.cn
點
擊這里給我發消息 點擊這里給我發消息 點擊這里給我發消息
主站蜘蛛池模板: 黎平县| 措美县| 枞阳县| 津市市| 城市| 高清| 沂水县| 文安县| 信阳市| 凤翔县| 五河县| 灵璧县| 德安县| 凤台县| 甘孜| 巴彦淖尔市| 宝坻区| 南投县| 蒙自县| 靖边县| 二连浩特市| 清水县| 红安县| 酒泉市| 肇源县| 黄平县| 会宁县| 马尔康县| 大丰市| 乌兰察布市| 客服| 叶城县| 乌鲁木齐市| 丁青县| 射阳县| 桂林市| 五原县| 方正县| 乐清市| 遵义市| 衡山县|