搡bbb搡bbbb搡bbbb,欧洲片女子奶大有奶水,日本老师扒裙子打光屁股,李蕾丽与黑人无删减版,yellow在线观看视频,卿本佳人电影未删版下载,太太万岁在线观看完整版免费 ,免费的黄色视屏
全國銷售熱線:025-52071378 / 84059708
[手機訪問請點擊這里-進入-手機版]  []
 當前位置:首頁 >>> 產品中心 >>> 工業級壓力傳感器 >>> 壓阻硅壓力傳感器 - 正文

壓阻硅壓力傳感器-詳細介紹

   歡迎撥打“全國銷售熱線:025-52071378”,交流技術與使用問題,并獲取“電子版詳細使用說明書,價格與正式報價”!
點擊這里給我發消息
點擊這里給我發消息
點擊這里給我發消息

壓阻硅壓力傳感器

 

產品簡介:

該系列壓力傳感器采用高精度的硅壓阻式傳感器,壓阻式壓力傳感器是將硅壓阻式敏感元件封裝在不同的壓力接口內構成,被測壓力通過壓力接口作用在硅敏感元件上,實現了所加壓力與輸出電壓信號的線性轉換,經激光修調的厚膜電阻網絡補償了傳感器的零點和溫度性能。外形可定制。

產品應用:

壓力校準儀器、汽車電子、航空航天;
液壓、氣動檢測控制系統、冷凍系統;
其它工業自動化與過程檢測設備和儀器。

技術參數:

被測介質 氣體,液體及蒸汽(對316L不銹鋼不腐蝕的流體)
壓力類型 絕對壓力、密封參考壓力、通氣表壓力
量程 -0.1~10kPa…100MPa 之間任意可選
供電電源 0.5~2.0mADC (推薦1.5mADC)
滿量程輸出 ≥70mVDC(20kPa以下量程≥50mVDC)
非線性 0.04%、0.05%、0.06%、0.08% 可選
重復性 0.04% 可選
綜合精度 ±0.1%FS、±0.25%FS、±0.5%FS  可選
長期穩定性 0.1%FS/年
工作溫度 -25~85℃  
零點溫漂 ±0.03%FS/℃
靈敏度溫漂 ±0.04%FS/℃
響應頻率 1kHz典型值
輸入阻抗 3kΩ
絕緣電阻 ≥100 MΩ/100V
安全過載壓力 150%FS (1.5倍滿量程)
破壞壓力 300%FS (3倍滿量程)
連接方式 M20×1.5、M16×1.5、M14×1.5帶錐、M10×1、G1/4 或指定
接液材料 膜片:316不銹鋼,過程連接件:1Cr18Ni9Ti不銹鋼
密封件 “O”形氟橡膠圈或激光焊接密封
相對濕度 0~95% RH
外殼防護等級 IP65或IP67
電氣輸出引線 航空接插件或直接引線



選型信息如下:

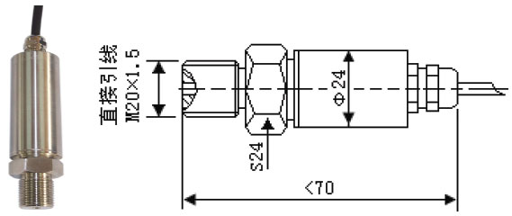
型號:NZ-S124A…
“o”形氟橡膠圈密封壓力,直接引線密封,滿量程輸出約100mV 輸出。

壓阻硅壓力傳感器


型號:NZ-S122A…
激光焊接密封壓力,杜絕“o”形橡膠圈老化風險,防腐蝕,抗微滲,滿量程輸出約100mV 輸出。電氣連接
可選擇接插件方式。

壓阻硅壓力傳感器


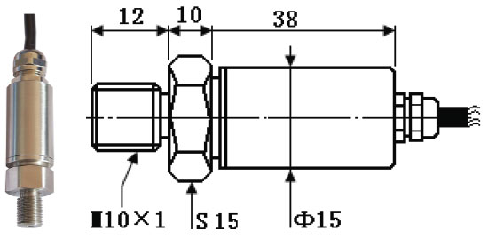
型號:NZ-S11155A…
激光焊接密封壓力,小尺寸安裝,防腐蝕,抗微滲,滿量程約100mV 輸出。電氣連接可選擇接插件和直接
密封引線。

壓阻硅壓力傳感器

上一產品:沒有了
下一產品:沒有了

壓阻硅壓力傳感器-相關產品列表

南京能兆是法國KIMO產品代理,同時也是儀器儀表廠家, 提供:風速儀高溫風速儀風量儀無紙記錄儀超聲波流量計溫度巡檢儀微壓差計 等產品.
本站版權-仿冒必究 Copyright ©2008-2038 南京能兆科技有限公司 蘇ICP備08004781號 蘇ICP備08004781號-2
電話:025-52071378  傳真:025-52071637(周一至周五:8:30-17:30) 網站地圖
銷售熱線:025-52071378(周一至周日:8:30-20:30)
電子信箱:23019869qq.com 網址:www.futailai.com.cn
點
擊這里給我發消息 點擊這里給我發消息 點擊這里給我發消息
主站蜘蛛池模板: 皋兰县| 城市| 东宁县| 射阳县| 东光县| 梅州市| 鸡西市| 绥芬河市| 淮南市| 辽源市| 保山市| 古交市| 宜黄县| 阿瓦提县| 仙居县| 黄冈市| 牟定县| 肇州县| 道孚县| 出国| 珠海市| 霍州市| 广州市| 黄骅市| 荣成市| 长兴县| 安丘市| 滕州市| 恩平市| 祥云县| 老河口市| 德昌县| 大兴区| 内江市| 蒙阴县| 南部县| 浙江省| 宁海县| 鹿泉市| 阜城县| 达孜县|