搡bbb搡bbbb搡bbbb,欧洲片女子奶大有奶水,日本老师扒裙子打光屁股,李蕾丽与黑人无删减版,yellow在线观看视频,卿本佳人电影未删版下载,太太万岁在线观看完整版免费 ,免费的黄色视屏
全國銷售熱線:025-52071378 / 84059708
[手機訪問請點擊這里-進入-手機版]  []
 當前位置:首頁 >>> 產品中心 >>> 專用型壓力傳感器 >>> 裝載機專用壓力傳感器 - 正文

裝載機專用壓力傳感器-詳細介紹

   歡迎撥打“全國銷售熱線:025-52071378”,交流技術與使用問題,并獲取“電子版詳細使用說明書,價格與正式報價”!
點擊這里給我發消息
點擊這里給我發消息
點擊這里給我發消息

裝載機專用壓力傳感器

 

產品簡介:

裝載機壓力傳感器采用離子束濺射薄膜技術,專門結合裝載機稱重系統的特點設計,主要通過測量裝載機油缸油壓進而轉換成重量信號。具有精度高、抗震動、頻繁沖擊、過載能力好、耐高低溫環境、長期穩定性好、體積小、重量輕、可直接過程安裝、溫度漂移小等特點。超長壽命,壓力溫度一體化設計,整體性能可替代德國WIKA、HBM 壓力傳感器在裝載機行業的應用。該系列產品提供定制服務。

產品應用:

裝載機電子秤、鏟車電子秤、叉車計量秤
汽車吊、挖機力矩限制器監測系統
其它工程機械液壓系統

技術參數:

被測介質 氣體,液體及蒸汽(對316L不銹鋼不腐蝕的流體)
壓力類型 絕對壓力、密封參考壓力、通氣表壓力
量程 0~16MPa、25MPa、35MPa、40MPa 、60MPa、100MPa之間任意可選
供電電源 5-12VDC、6-32VDC
壓力輸出信號 2mV/V 、0.5-4.5VDC、1-5VDC、4-20mA可選
溫度輸出信號 數字18B20、PT100、TC1047A
非線性 0.04%FS
重復性 0.02%FS
準確度 ±0.1%FS、±0.2%FS(包含-40~125℃下的溫度漂移值)
長期穩定性 0.1%FS/年
工作溫度 -40~125℃
儲存溫度 -50~130℃
響應時間 ≤1mS(10%~90%)典型值
輸入阻抗 3.3 kΩ
絕緣電阻 ≥500 MΩ/100V
安全過載壓力 200%FS (2倍滿量程)
破壞壓力 500%FS (5倍滿量程)
振動 5~1000Hz,振幅2mm,X、Y、Z每向30分鐘,輸出變化小于0.08%FS
沖擊 50g;X、Y、Z三向,每向20ms;輸出變化小于0.08%FS
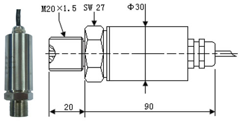
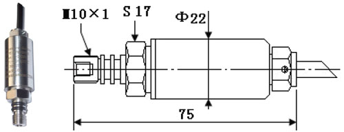
連接方式 M20×1.5、M16×1.5、M14×1.5、M10×1、G1/4 或指定
接液材料 膜片:17-4PH不銹鋼、過程連接件316L或1Cr18Ni9Ti不銹鋼
相對濕度 0~95% RH
外殼防護等級 IP67
電氣輸出引線 航空接插件或直接密封引線


選型信息:

型號:NZ-S322A…
0-20mV 輸出,可以與各類稱重儀表配接,直接密封引線模式,“O”形氟橡膠密封壓力。特點是壓力溫度一體化,相對成本較低,用手便可擰入螺口密封,方便快捷,精度:0.1%FS。可根據要求提供變送器輸出。

 

裝載機專用壓力傳感器

 

型號:NZ-S322B…
0-20mV 輸出,可以與各類稱重儀表配接,直接密封引線模式,“O”型氟橡膠密封壓力。特點是在NZ322A基礎上將電氣輸出改為接插件,具備NZ322A 的特點,同時更方便現場安裝,在產品維護時可只拆卸傳感器,而不需要拆線,節省時間和人力。本型號可根據要求提供變送器輸出。

 

裝載機專用壓力傳感器

 

型號:NZ-T322A…
5VDC 供電,0.5-4.5VDC 電壓輸出,內部單片機同時采集壓力和溫度信號,精密數字溫壓補償,滿足-40~125℃溫度下0.2%精度標準,稱重儀表直接采集電壓信號,無需放大,抗干擾。提高了裝載機電子秤的精度和穩定性。G1/4 螺紋國際通用標準,接插件聯結,方便現場安裝,同時產品維護時可只拆卸傳感器,而不需要拆線,節省時間和人力。

 

裝載機專用壓力傳感器

 

型號:NZ-T322B…
6.0-32VDC 供電,1-5VDC 電壓輸出,內部單片機同時采集壓力和溫度信號,精密數字溫壓補償,滿足-40~125℃溫度下0.2%精度標準,稱重儀表直接采集電壓信號,無需放大,抗干擾。提高了裝載機電子稱的精度和穩定性。M14×1.5、G1/4 螺紋,接插件或直接引線可選擇,現場安裝方便。該型傳感器性能優越,高于國內同類產品。

 

裝載機專用壓力傳感器

 

型號:NZ-T330A…
15-32VDC 供電,4-20mA 標準2 線制電流輸出,內部單片機同時采集壓力和溫度信號,精密數字溫壓補償,滿足-40~125℃溫度下0.25%精度標準,稱重儀表直接采集電流信號,無需放大,抗干擾。提高了裝載機電子秤的精度和穩定性。M20×1.5、M14×1.5、M10×1 外螺紋可選擇,互換性強。直接密封引線,防護等級IP67。

 

裝載機專用壓力傳感器

上一產品:沒有了
下一產品:沒有了

裝載機專用壓力傳感器-相關產品列表

南京能兆是法國KIMO產品代理,同時也是儀器儀表廠家, 提供:風速儀高溫風速儀風量儀無紙記錄儀超聲波流量計溫度巡檢儀微壓差計 等產品.
本站版權-仿冒必究 Copyright ©2008-2038 南京能兆科技有限公司 蘇ICP備08004781號 蘇ICP備08004781號-2
電話:025-52071378  傳真:025-52071637(周一至周五:8:30-17:30) 網站地圖
銷售熱線:025-52071378(周一至周日:8:30-20:30)
電子信箱:23019869qq.com 網址:www.futailai.com.cn
點
擊這里給我發消息 點擊這里給我發消息 點擊這里給我發消息
主站蜘蛛池模板: 油尖旺区| 许昌县| 芜湖县| 浦北县| 邵阳县| 九江县| 平罗县| 鄯善县| 斗六市| 长海县| 崇仁县| 洛宁县| 布拖县| 京山县| 高淳县| 康乐县| 西华县| 湖州市| 新津县| 衡阳县| 资溪县| 黎川县| 上饶市| 衡山县| 扎赉特旗| 石门县| 江永县| 茶陵县| 萝北县| 徐水县| 新源县| 岳池县| 石家庄市| 江油市| 墨江| 延边| 柯坪县| 密山市| 新昌县| 西乡县| 平顶山市|