搡bbb搡bbbb搡bbbb,欧洲片女子奶大有奶水,日本老师扒裙子打光屁股,李蕾丽与黑人无删减版,yellow在线观看视频,卿本佳人电影未删版下载,太太万岁在线观看完整版免费 ,免费的黄色视屏
全國銷售熱線:025-52071378 / 84059708
[手機訪問請點擊這里-進入-手機版]  []
 當前位置:首頁 >>> 產品中心 >>> 專用型壓力傳感器 >>> 油井專用高溫壓力傳感器 - 正文

油井專用高溫壓力傳感器-詳細介紹

   歡迎撥打“全國銷售熱線:025-52071378”,交流技術與使用問題,并獲取“電子版詳細使用說明書,價格與正式報價”!
點擊這里給我發消息
點擊這里給我發消息
點擊這里給我發消息

油井專用高溫壓力傳感器



產品簡介:

油井高溫壓力傳感器敏感芯片使用離子濺射薄膜技術制作而成,采用濺射、刻蝕工藝直接形成在不銹鋼彈性膜片上,徹底實現了敏感元件的無機質化,克服了有機粘結膠帶來的蠕變、滯后、老化等不穩定因素,大大提高了產品的長期穩定性。產品采用不銹鋼結構,激光焊接密封壓力,具有外形尺寸小、精度高、性能穩定可靠、耐高低溫、超長抗壓力疲勞壽命等特點。特殊外形可定制。

產品用途:

石油鉆井,測井,試井、井下儀器、油田數字壓力儀表
航空航天發動機測試、戰車發動機、液壓、航海及造船、柴油機等
內燃機、試驗機等高溫、高壓、惡劣環境場合

技術參數:

被測介質 氣體 , 液體及蒸汽(對 316L 不銹鋼不腐蝕的流體)
壓力類型 絕對壓力、密封參考壓力、通氣表壓力
量程 0~1MPa…10MPa…30MPa…40MPa…60MPa…70MPa…100MPa…120MPa 之間可選
供電電源 3-12VDC
mV 輸出靈敏度 2mV/V 、 5mV/V (靈敏度×電壓 = 滿量程輸出)
變送輸出 0.5-4.5VDC ( 5VDC 供電)
非線性 0.02%FS 、 0.04%FS 、 0.05%FS 可選擇
遲滯性 0.02%FS 、 0.04%FS 、 0.05%FS 可選擇
重復性 ≤ 0.02%FS
準確度 0.1%FS 、 0.2%FS 可選
長期穩定性 0.1%FS/ 年
工作溫度 ( 環境) -40~125 ℃ / 150 ℃ / 175 ℃ / 200 ℃ / 250 ℃ 可 選
零點溫漂 ≤ 0.005%FS/ ℃或≤ 0.01%FS/ ℃
靈敏度溫漂 ≤ 0.008%FS/ ℃或≤ 0.015%FS/ ℃
響應時間 ≤ 1 毫秒 (10%~90%) 典型值
輸出阻抗 1500 ± 50 Ω、 3300 ± 50 Ω、 7000 ± 50 Ω
絕緣電阻 ≥ 500M Ω /100VDC
安全過載壓力 200%FS ( 2 倍滿量程)
破壞壓力 500%FS ( 5 倍滿量程)
振動 5~1000Hz ,振幅 2mm , X 、 Y 、 Z 每向 30 分鐘,輸出變化小于 0.03%FS
沖擊 50g ; X 、 Y 、 Z 三向,每向 20ms ;輸出變化小于 0.03%FS
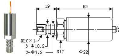
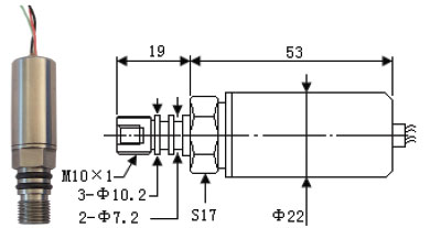
連接方式 M10 × 1 或指定
壓力密封方式 雙“ O ”圈氟橡膠密封、錐面密封、端面密封
接液材料 膜片:17-4PH 不銹鋼、15-5PH 不銹鋼,過程連接件316L或1Cr18Ni9Ti不銹鋼
外殼防護等級 IP65
電氣引線定義 紅線 - 電源正;黑線 - 電源負;綠線 - 信號正;白線 - 信號負


選型信息:

型號:NZ-S314A…
5VDC 供電(3-12VDC),0-10mV 輸出,Ф14 直徑,Ф10.2 雙環密封標準和進口設備互換性強;最高耐溫:175℃,準確度最高0.08%FS。

 

油井專用高溫壓力傳感器

 

型號:NZ-S314B…
5VDC 供電(3-12VDC),0-10mV 輸出,Ф14 直徑,在NZS314A 基礎上更改為Ф10.5 雙環密封,具備NZS314A的特點,準確度最高0.08%FS。

 

油井專用高溫壓力傳感器

 

型號:NZ-S314C…
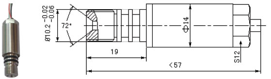
5VDC 供電(3-12VDC),0-10mV 輸出,Ф14 直徑,Ф10.2 雙環密封標準,端面帶72 度或74 度內錐,尾部六方,方便安裝;準確度最高0.08%FS。

 

油井專用高溫壓力傳感器

 

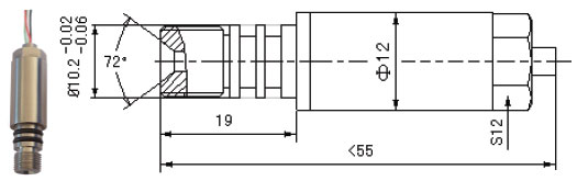
型號:NZ-S312A…
5VDC 供電,0-10mV 輸出,Ф12 超小直徑,Ф10.2 雙環密封標準,端面帶72 度或74 度內錐,尾部六方,方便安裝,準確度最高0.1%FS。

 

油井專用高溫壓力傳感器

 

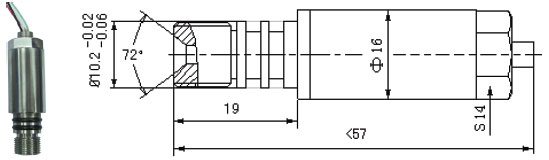
型號:NZ-S316A…
5VDC 供電,0-25mV 輸出,Ф16 直徑,Ф10.2 雙環密封標準,端面帶72 度或74 度內錐,尾部六方,方便安裝,準確度最高0.08%FS。

 

油井專用高溫壓力傳感器

 

型號:NZ-S325A…
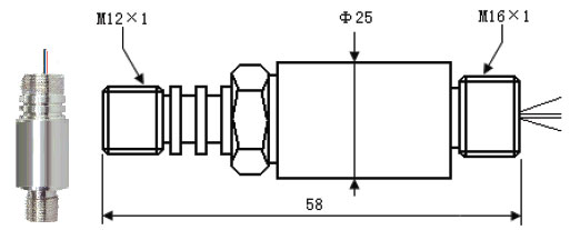
5VDC 供電,0-10mV 輸出,Ф25.5 直徑,雙頭設計,雙環密封標準,方便安裝,可選擇差壓結構;無標準尺寸,根據客戶要求定制外形。

 

油井專用高溫壓力傳感器

 

型號:NZ-T322C…
5VDC 供電,0.5-4.5VDC 輸出,內部電路精密溫壓補償,精度高,無需放大,直接可接入采集系統,非常便捷,電子元件最高耐溫150℃,精度最高0.2%FS(0-150℃)。

 

油井專用高溫壓力傳感器

 

型號:NZ-T322D…
6-32VDC 供電,4-20mA、0-5VDC、1-5VDC 輸出,內部電路精密溫壓補償,精度高,無需放大,直接可接入系統,非常便捷,電子元件最高耐溫150℃,準確度最高0.2%FS(0-150℃).

 

油井專用高溫壓力傳感器

 

型號:NZ-T312A…
5VDC 供電,0.5-4.5VDC 輸出,Ф12 超小直徑專門為油田環境特殊設計,內部電路精密溫壓補償,精度高,無需放大,直接可接入系統,使系統簡單化。電子元件最高耐溫145℃,準確度最高0.2%FS(0-145℃)。

 

油井專用高溫壓力傳感器

上一產品:沒有了
下一產品:沒有了

油井專用高溫壓力傳感器-相關產品列表

南京能兆是法國KIMO產品代理,同時也是儀器儀表廠家, 提供:風速儀高溫風速儀風量儀無紙記錄儀超聲波流量計溫度巡檢儀微壓差計 等產品.
本站版權-仿冒必究 Copyright ©2008-2038 南京能兆科技有限公司 蘇ICP備08004781號 蘇ICP備08004781號-2
電話:025-52071378  傳真:025-52071637(周一至周五:8:30-17:30) 網站地圖
銷售熱線:025-52071378(周一至周日:8:30-20:30)
電子信箱:23019869qq.com 網址:www.futailai.com.cn
點
擊這里給我發消息 點擊這里給我發消息 點擊這里給我發消息
主站蜘蛛池模板: 泸州市| 延安市| 区。| 博白县| 温州市| 千阳县| 金川县| 蓝山县| 长岛县| 安义县| 嘉荫县| 凤凰县| 漳浦县| 林芝县| 揭西县| 布尔津县| 大邑县| 施秉县| 小金县| 临朐县| 博客| 金昌市| 历史| 宣汉县| 株洲县| 陵水| 渝中区| 四川省| 阜新| 新郑市| 伊春市| 隆回县| 高唐县| 凤庆县| 田林县| 延吉市| 曲周县| 白朗县| 河池市| 沙洋县| 阿拉善左旗|