搡bbb搡bbbb搡bbbb,欧洲片女子奶大有奶水,日本老师扒裙子打光屁股,李蕾丽与黑人无删减版,yellow在线观看视频,卿本佳人电影未删版下载,太太万岁在线观看完整版免费 ,免费的黄色视屏
全國銷售熱線:025-52071378 / 84059708
[手機訪問請點擊這里-進入-手機版]  []
 當前位置:首頁 >>> 產品中心 >>> 工業級壓力變送器 >>> 工業通用型壓力變送器 - 正文

工業通用型壓力變送器-詳細介紹

   歡迎撥打“全國銷售熱線:025-52071378”,交流技術與使用問題,并獲取“電子版詳細使用說明書,價格與正式報價”!
點擊這里給我發消息
點擊這里給我發消息
點擊這里給我發消息

工業通用型壓力變送器

 

產品簡介:

標準系列壓力變送器,采用高精度,高靈敏度壓力芯體和高可靠處理電路,精密封裝于不銹鋼殼體內,激光焊接密封,無橡膠密封圈,出廠前經過長期壓力疲勞沖擊,長時間的高低溫循環老化和溫度補償,保證產品穩定可靠。抗射頻和電磁干擾,精度高,壽命長,抗頻繁高壓沖擊,5 倍高過載。

產品應用:

恒壓供水專用、水處理過程控制、能源控制
液壓泵站、壓鑄機、等靜壓機、軸承潤滑油
錄井、井上平臺、壓裂車、高壓泵、試壓泵、防噴器等
HVAC 控制、泵、壓縮機、電站、汽輪機、水輪機
冶金機械、農業機械、食品機械、建筑機械、機車制動系統、液壓調節閥、比例閥、汽車方向機測試臺
石化工程、環保工程、空分設備
氣壓設備、液壓實驗臺動靜態壓力測量
通風系統和各類工業管道壓力測量

技術參數:

被測介質 對 316 不銹鋼不腐蝕的氣體和液體
壓力類型 絕對壓力、密封參考壓力、通氣表壓力
量程 -100kPa~0~10kPa~1MPa…10MPa…260MPa 之間任意可選
供電電源 24VDC ( 10-32VDC )
輸出信號 4-20mA、1-5VDC、0-5VDC、0-10VDC、0.5-4.5 VDC 可選擇
響應頻率 ≤1kHz (典型值)
重復性 0.05%FS
非線性 0.2%FS、0.1%FS、0.05%FS 可選
綜合精度 0.1%FS、0.2%FS、0.5% FS 可選擇
長期穩定性 0.2%FS/ 年(典型值)
工作溫度 -40~85℃/125℃/150℃/250℃ 可選(加裝水冷式結構 , 耐高溫 1200℃ )
絕緣電阻 ≥500 MΩ/100VDC
安全過載壓力 150%FS ( 1.5 倍滿量程)
破壞壓力 300%FS ( 3 倍滿量程)
振動 5~1000Hz ,振幅 2mm , X、Y、Z 每向 30 分鐘,輸出變化小于 0.1%FS
沖擊 50g ; X、Y、Z 三向,每向 20ms ;輸出變化小于 0.1%FS
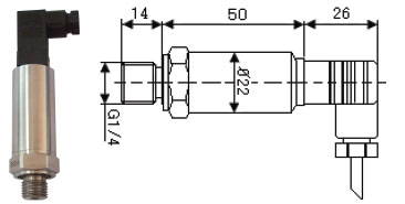
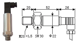
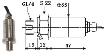
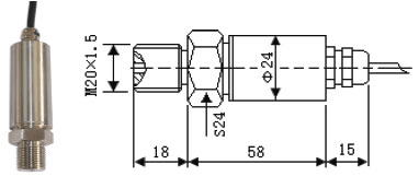
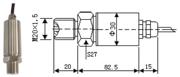
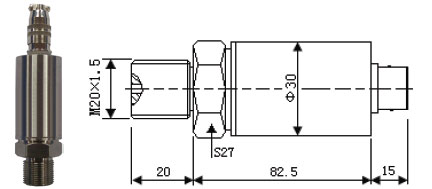
連接方式 M20×1.5、M16×1.5、M14×1.5、M12×1、G1/4、G1/2、1/4NPT、1/2NPT 或指定
接液材料 膜片: 17-4PH 不銹鋼、過程連接件: 1Cr18Ni9Ti
相對濕度 0~95% RH
外殼防護等級 IP65、IP67 可選
出線方式 航插、 直接引線
顯示控制儀表(選配) BPM-TC 1C 6(精度 :0.5%)、BPM-TC1CT(精度 :0.2%)、BPM432-TC1(精度:0.05% )


選型信息:

型號: NZ-T230D…

恒壓供水專用,抗變頻干擾,標準型結構,大批量備有現貨,精度高,穩定性好,防護性能好,內置壓力阻尼, 4-20mA 、 0-5VDC 、 0-10VDC 可選。最高壓力 :0-250MPa ,多種壓力接口螺紋可選,可選擇內螺紋。

 

工業通用型壓力變送器

 

型號: NZ-T230E…

航空接插件拔插方式,方便現場安裝,多種壓力接口螺紋可選擇,內置壓力阻尼, 4-20mA 電流輸出、 0-5VDC 、 0-10VDC 可選;使用在機械設備和礦用設備較多,最高壓力 0-250MPa.

 

工業通用型壓力變送器

 

型號: NZ-T230F…

赫斯曼接插件,方便現場安裝,多種安裝螺紋可選擇 ;4-20mA 、 0-5VDC 、 0-10VDC 輸出可選 ; 可選擇帶現場顯示( IP64 );最高壓力 0-250MPa.

 

工業通用型壓力變送器

 

型號: NZ-T224A…

內置壓力阻尼,直接密封引線;防護等級高,電源反向保護,瞬間高壓保護;最高壓力 0-250MPa.

 

工業通用型壓力變送器

 

型號: NZ-T222A…

高精度,精小型,內置壓力阻尼,直接密封引線; 4-20mA 、 0.5-4.5VDC 信號可選;多種安裝螺紋可選;最高壓力 200MPa 。

 

工業通用型壓力變送器

 

型號: NZ-T222B…

內置壓力阻尼, DIN 赫斯曼接插件出線,精小結構。 4-20mA 、 0.5-4.5VDC 信號可選;最高壓力 200MPa 。

 

工業通用型壓力變送器 

 

型號: NZ-T522A…

高強度抗干擾,耐受大型變頻器、對講機及大型高壓設備電磁環境;硅與不銹鋼鍵合熔為一體的技術,高靈敏輸出, MEMS 加工高度集成,精密數字溫壓補償,無 “o” 形圈,不泄漏; 4-20mA 、 0-5VDC 、 0-10VDC 、 0.5-4.5VDC 可選擇; M20×1.5 標準螺紋大批量備貨,其它螺紋的產品少量備貨。 DIN 的 Hirschmann 連接器。可 OEM 定制。最高壓力 100MPa 。

 

工業通用型壓力變送器

上一產品:沒有了
下一產品:沒有了

工業通用型壓力變送器-相關產品列表

南京能兆是法國KIMO產品代理,同時也是儀器儀表廠家, 提供:風速儀高溫風速儀風量儀無紙記錄儀超聲波流量計溫度巡檢儀微壓差計 等產品.
本站版權-仿冒必究 Copyright ©2008-2038 南京能兆科技有限公司 蘇ICP備08004781號 蘇ICP備08004781號-2
電話:025-52071378  傳真:025-52071637(周一至周五:8:30-17:30) 網站地圖
銷售熱線:025-52071378(周一至周日:8:30-20:30)
電子信箱:23019869qq.com 網址:www.futailai.com.cn
點
擊這里給我發消息 點擊這里給我發消息 點擊這里給我發消息
主站蜘蛛池模板: 招远市| 凤庆县| 拉萨市| 视频| 峡江县| 黄陵县| 青铜峡市| 卢龙县| 庐江县| 新平| 临漳县| 天镇县| 革吉县| 高邑县| 苗栗市| 卢湾区| 长顺县| 绵竹市| 宾川县| 汝阳县| 电白县| 东宁县| 涟源市| 舒兰市| 梧州市| 彩票| 班戈县| 藁城市| 林西县| 城固县| 金沙县| 桑植县| 漳浦县| 射阳县| 贵德县| 鹰潭市| 肃南| 马公市| 陕西省| 台北市| 新竹县|