搡bbb搡bbbb搡bbbb,欧洲片女子奶大有奶水,日本老师扒裙子打光屁股,李蕾丽与黑人无删减版,yellow在线观看视频,卿本佳人电影未删版下载,太太万岁在线观看完整版免费 ,免费的黄色视屏
全國銷售熱線:025-52071378 / 84059708
[手機訪問請點擊這里-進入-手機版]  []
 當前位置:首頁 >>> 產品中心 >>> 高低溫度/壓力傳感器 >>> 超高壓壓力傳感器/變送器 - 正文

超高壓壓力傳感器/變送器-詳細介紹

   歡迎撥打“全國銷售熱線:025-52071378”,交流技術與使用問題,并獲取“電子版詳細使用說明書,價格與正式報價”!
點擊這里給我發消息
點擊這里給我發消息
點擊這里給我發消息

超高壓壓力傳感器/變送器

 

產品簡介:

超高壓壓力傳感器采用稀有金屬合金材料,經過特殊工藝處理,一體化設計,全不銹鋼焊接封裝外殼,激光調阻溫度補償,配以高性能數字處理電路,出廠經高低溫老化和長期疲勞試驗,長期穩定性好,超長的工作壽命,在超高壓力范圍內保持安全穩定工作。

產品用途:

冶金機械、高壓水切割、高壓清洗、高壓食品機械、高壓水射流、水刀
等靜壓機、大型液壓機、液壓系統、增壓系統、超高增壓泵、石油化工
軍事裝備、超高壓力的工業設備等

性能指標:

測量范圍 0~150MPa…300MPa…400MPa…600MPa…800MPa…1000MPa…1200MPa…1500MPa 可選
允許過載 120%FS
破壞壓力 200%FS 或 1700MPa ,兩者取較小值
供電范圍 傳感器 3-15VDC 、變送器 12~36VDC
信號輸出 傳感器 0-20mV; 變送器: 4~20mADC 兩線、 0~5VDC 三線、 0~10VDC 三線
準確度 ±0.25%FS 、 ±0.5%FS ; ±1.0%FS 可選 ( 包括非線性、重復性、遲滯性 )
穩定性誤差 ≤±0.5%FS/ 年(典型值)
工作溫度 -40~+ 85℃ / 125℃ / 250℃ 可選擇
補償溫度 -40~+ 80℃ / 120℃
貯存溫度 -40~+85/ 125℃
防護等級 IP65 、 IP67
振動 5~1000Hz ,振幅 2mm , X 、 Y 、 Z 每向 30 分鐘,輸出變化小于 0.1%FS
沖擊 50g ; X 、 Y 、 Z 三向,每向 20ms ;輸出變化小于 0.1%FS
出線電纜 赫斯曼接插件、航空接插件、 Φ6mm 聚乙烯電纜直接密封引線 可選擇
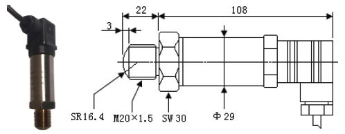
壓力接口 M20×1.5 、 M16×1.5 、 9/16-18UNF 螺紋或用戶指定
顯示儀表 NZ-TC1C6(精度:0.5%)、NZ-TC1CT(精度:0.2%)、NZ432-TC1(精度:0.05% )



選型信息:

型號:NZ-T229A…

超高壓傳感器采用全一體化稀有合金材料,精細機械加工,多道熱處理工藝,每個傳感器都經過嚴格加壓測試,保證絕對安全和可靠性;傳感器具有精度高,長期穩定,壽命長的特點;采用球面密封方式;可選擇0-20mV、4-20mA、0-5VDC 輸出。

 

超高壓壓力傳感器/變送器


型號:NZ-T229B…

BPM-T229B 型超高壓力傳感器是BPMT229A 的延伸產品,特點是采用58 度外錐密封方式,超高壓的結構和加工工藝保證了產品的長期可靠性。精度高,壽命長,具有多種電氣接口可選擇。

 

超高壓壓力傳感器/變送器


型號:NZ-T229C…

BPMT229A 的延伸產品,M20×1.5 外螺紋帶60 度內錐密封方式。精細機械加工,多道熱處理工藝,每個傳感器都經過嚴格加壓測試和高低溫老化,保證絕對安全和可靠性。傳感器具有精度高,穩定性好,壽命長的特點。多種電氣接口可選擇。

 

超高壓壓力傳感器/變送器


型號:NZ-T229D

M20×1.5 內螺紋帶60 度內錐密封方式;每個傳感器都經過嚴格加壓測試和老化,保證絕對安全和可靠性;具有精度高,長期穩定,壽命長的特點;多種外形可選擇,多種電氣接口可選擇。

 

超高壓壓力傳感器/變送器

上一產品:沒有了
下一產品:沒有了

超高壓壓力傳感器/變送器-相關產品列表

南京能兆是法國KIMO產品代理,同時也是儀器儀表廠家, 提供:風速儀高溫風速儀風量儀無紙記錄儀超聲波流量計溫度巡檢儀微壓差計 等產品.
本站版權-仿冒必究 Copyright ©2008-2038 南京能兆科技有限公司 蘇ICP備08004781號 蘇ICP備08004781號-2
電話:025-52071378  傳真:025-52071637(周一至周五:8:30-17:30) 網站地圖
銷售熱線:025-52071378(周一至周日:8:30-20:30)
電子信箱:23019869qq.com 網址:www.futailai.com.cn
點
擊這里給我發消息 點擊這里給我發消息 點擊這里給我發消息
主站蜘蛛池模板: 巍山| 兴义市| 柘城县| 会理县| 凤庆县| 共和县| 长春市| 康定县| 鹰潭市| 重庆市| 博湖县| 水城县| 屏东县| 综艺| 和顺县| 苏尼特左旗| 台中县| 电白县| 耒阳市| 宁陵县| 会昌县| 开鲁县| 宜宾县| 九江县| 马边| 石城县| 眉山市| 山阳县| 泗阳县| 遂川县| 翼城县| 北碚区| 沭阳县| 错那县| 尚义县| 阿荣旗| 五常市| 日喀则市| 山阴县| 汉沽区| 夹江县|