搡bbb搡bbbb搡bbbb,欧洲片女子奶大有奶水,日本老师扒裙子打光屁股,李蕾丽与黑人无删减版,yellow在线观看视频,卿本佳人电影未删版下载,太太万岁在线观看完整版免费 ,免费的黄色视屏
全國銷售熱線:025-52071378 / 84059708
[手機訪問請點擊這里-進入-手機版]  []
 當前位置:首頁 >>> 產品中心 >>> 專用型壓力變送器 >>> 油田錄井專用壓力變送器 - 正文

油田錄井專用壓力變送器-詳細介紹

   歡迎撥打“全國銷售熱線:025-52071378”,交流技術與使用問題,并獲取“電子版詳細使用說明書,價格與正式報價”!
點擊這里給我發消息
點擊這里給我發消息
點擊這里給我發消息

油田錄井專用壓力變送器

 

產品簡介:

油田錄井專用壓力變送器是根據油田錄井的惡劣環境和安裝的特殊性性設計的,采用高可靠的離子束濺射薄膜壓力傳感器芯體和專用放大電路,抗射頻干擾和防雷設計。使用激光焊接密封,經過長期壓力疲勞沖擊,高低溫循環老化和溫度補償。具備精度高,壽命長,防潮,抗凍等優點,非常適合油田野外環境的長時間使用。

產品應用:

油田綜合錄井儀專用、泥漿泵專用
近海石油開采、井上平臺、壓裂等
航空航天
通風系統和各類工業壓力測量

技術參數:

被測介質 對 17-4PH 不銹鋼、 316L 不銹鋼不腐蝕的氣體和液體
壓力類型 絕對壓力、密封參考壓力、通氣表壓力
量程 -100kPa~0~10kPa~1MPa~10MPa…150MPa 之間任意可選
供電電源 24VDC ( 10-32VDC )
輸出信號 4-20mA、1-5VDC、0-5VDC、0-10VDC 可選擇
響應頻率 1kHz (典型值)
重復性 0.05%FS
非線性 0.05%FS
準確度 0.1%FS、0.2%FS、0.5%FS
長期穩定性 0.1%FS/ 年
工作溫度 -40~85℃/125℃/150℃/250℃ (加裝水冷式結構 , 耐高溫 1200℃ )
絕緣電阻 ≥500 MΩ/50V
安全過載壓力 150%FS ( 1.5 倍滿量程)
破壞壓力 300%FS ( 3 倍滿量程)
振動 5~1000Hz,振幅 2mm,X、Y、Z 每向 30 分鐘,輸出變化小于 0.1%FS
沖擊 50g ; X、Y、Z 三向,每向 20ms ;輸出變化小于 0.1%FS
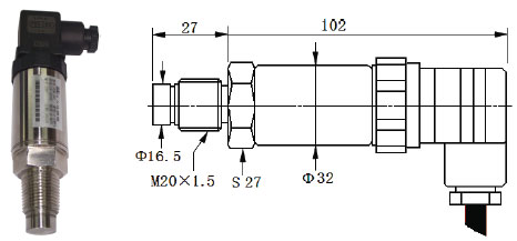
連接方式 1/2NPT、M20×1.5 或指定
接液材料 膜片: 316L 不銹鋼、過程連接件 1Cr18Ni9Ti 不銹鋼
相對濕度 0~95% RH
外殼防護等級 IP67
出線方式 航空接插件或直接密封引線


選型信息:

型號:NZ-T232A…
M20×1.5 外螺紋,平膜片無腔感壓結構;先進的離子束濺射薄膜工藝,鋼制不銹鋼厚膜片,長期直接接觸泥漿中大量的石粒、沙粒等硬質顆粒,解決擴散硅、陶瓷材料傳感器膜片經常破裂的情況;壽命長、精度高、防護好;目前在各大油田以及錄井儀器制造廠長期配套,廣泛受到歡迎;主要用于錄井綜合儀立管壓力、套管壓力測量和分析;40MPa、50 MPa、60MPa、70 MPa、105MPa 備有大量現貨。

 

油田錄井專用壓力變送器


型號:NZ-T232B…
M14×1.5 帶74 度錐面密封設計(74 度錐為可選項),可方便的配接快速插頭;先進的離子束濺射薄膜工藝,鋼制不銹鋼厚膜片,長期直接接觸泥漿和油品中大量的石粒、沙粒等硬質顆粒,解決擴散硅、陶瓷材料傳感器膜片經常破裂的情況;壽命長、精度高、防護好;目前在各大油田以及錄井儀器制造廠長期配套,廣泛受到歡迎;主要用于錄井綜合儀懸重壓力測量和分析;5MPa、6 MPa、7 MPa 備有大量現貨。

 

油田錄井專用壓力變送器

上一產品:沒有了
下一產品:沒有了

油田錄井專用壓力變送器-相關產品列表

南京能兆是法國KIMO產品代理,同時也是儀器儀表廠家, 提供:風速儀高溫風速儀風量儀無紙記錄儀超聲波流量計溫度巡檢儀微壓差計 等產品.
本站版權-仿冒必究 Copyright ©2008-2038 南京能兆科技有限公司 蘇ICP備08004781號 蘇ICP備08004781號-2
電話:025-52071378  傳真:025-52071637(周一至周五:8:30-17:30) 網站地圖
銷售熱線:025-52071378(周一至周日:8:30-20:30)
電子信箱:23019869qq.com 網址:www.futailai.com.cn
點
擊這里給我發消息 點擊這里給我發消息 點擊這里給我發消息
主站蜘蛛池模板: 阳春市| 荔浦县| 即墨市| 铜山县| 溧阳市| 莫力| 多伦县| 文登市| 玉田县| 临汾市| 信丰县| 九寨沟县| 长阳| 鄂尔多斯市| 怀集县| 正宁县| 科尔| 仪陇县| 溧阳市| 班玛县| 内黄县| 吐鲁番市| 安阳市| 石河子市| 柘城县| 昌宁县| 三江| 隆子县| 叶城县| 新龙县| 蓬安县| 海林市| 潞城市| 偃师市| 昆山市| 田阳县| 周口市| 漾濞| 新丰县| 青河县| 通江县|