搡bbb搡bbbb搡bbbb,欧洲片女子奶大有奶水,日本老师扒裙子打光屁股,李蕾丽与黑人无删减版,yellow在线观看视频,卿本佳人电影未删版下载,太太万岁在线观看完整版免费 ,免费的黄色视屏
全國銷售熱線:025-52071378 / 84059708
[手機訪問請點擊這里-進入-手機版]  []
 當前位置:首頁 >>> 產品中心 >>> 高低溫度/壓力傳感器 >>> 微壓壓力變送器 - 正文

微壓壓力變送器-詳細介紹

   歡迎撥打“全國銷售熱線:025-52071378”,交流技術與使用問題,并獲取“電子版詳細使用說明書,價格與正式報價”!
點擊這里給我發消息
點擊這里給我發消息
點擊這里給我發消息

微壓壓力變送器

 

產品簡介:

微壓壓力變送器是專門針對微小壓力測量領域的應用而開發的一種壓力測量產品。選用高性能進口壓力敏感元件經過MEMS 封裝和補償,采用一體化不銹鋼全密封結構,體積小、抗過載能力強,穩定性高,耐腐蝕性好,性能可靠,壽命長,適合需要對流體微小壓力進行檢測和控制的領域;提供表壓、絕壓和負壓三種形式;用戶自由選定量程。

產品用途:

廣泛應用于軍用裝備、氣象、水文勘探、窯爐、醫療、石油、化工、電廠、礦山、城市供水、塑料和玻
璃工業吹塑機器、流量控制等行業,需要對現場微小壓力進行監測和控制的領域。

技術指標:

測量介質 液體、氣體、蒸汽等與 316L 不銹鋼、硅兼容的介質(不腐蝕不銹鋼)
壓力類型 表壓、絕壓、負壓 可選
量程 0~25Pa…1kPa…20kPa…30kPa…100kPa 之間的任意量程可選擇
供電范圍 12~36VDC
信號輸出 4~20mA、0~5VDC、1~5VDC、0~10VDC、0.5~4.5 VDC 可選擇
準確度 0.2%FS、0.5%FS ; 1.0%FS ( 包括非線性、重復型、遲滯 )
溫度誤差 ≤±0.015%FS/℃
穩定性誤差 ≤±0.2%FS/ 年(典型值)
環境溫度 -25~+ 85℃ 或 -45~+ 100℃ 可選擇
工作介質溫度 -25/-35/-45~85℃/125℃/150℃/250℃ (加裝水冷式結構,耐高溫 1000℃ )
貯存溫度 -40~+ 105℃
防護等級 IP65 或 IP67
連接方式 M20×1.5、M16×1.5、M14×1.5、M12×1、G1/4、1/4NPT、Ф6 氣嘴或指定
允許過載壓力 150%FS
破壞壓力 300%FS
振動 5~1000Hz ,振幅 2mm , X、Y、Z 每向 30 分鐘,輸出變化小于 0.1%FS
沖擊 50g ; X、Y、Z 三向,每向 20ms ;輸出變化小于 0.1%FS
接口及殼體 不銹鋼 1Cr18Ni9Ti
傳感器膜片 硅、 316 不銹鋼、陶瓷
密封件 不銹鋼焊接或氟橡膠


選型信息:

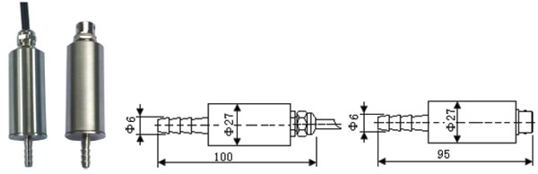
型號:NZ-T132A…
高精密的數字補償技術,最低0-500Pa 的測量范圍。316L 不銹鋼傳感膜片,適用于對316L 不腐蝕的液體和氣體。

 

微壓壓力變送器

 

型號:NZ-T132B…
高精密的數字補償技術,最低0-2kPa 的測量范圍;316L 不銹鋼傳感膜片,適用于對316L 不腐蝕的液體和氣體;電氣部分采用航空接插件,螺紋接口可選擇。

 

微壓壓力變送器

 

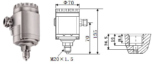
型號:NZ-T470A…
工業級殼體結構,最低測量范圍0-500Pa;M20×1.5 和G1/4 外螺紋可選;陶瓷電容感測膜片,膜片限位技術,壓力過載10-200 倍,膜片位移產生的電容量,由與其直接連接的電子部件檢測、放大和轉換為標準信號;穩定可靠,高精度,可測量液體和氣體壓力。

 

微壓壓力變送器

 

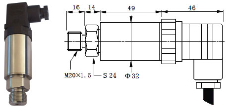
型號:NZ-T127D…
316L 不銹鋼平膜片,用于濃度較大,流動性不強的低壓壓力測量,方便定期清洗;可測量0-5kPa 以上的液體或氣體壓力;M27×2、M20×1.5 或G1/2 外螺紋可選擇。

 

微壓壓力變送器

 

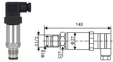
型號:NZ-T627A…
超低壓0-25Pa…100kPa 可選;特殊工藝,硅技術、電容技術、熱技術的完美融合,高分辨力,高可靠性,不受安裝位置影響,測量非腐蝕性氣體;壓力連接口可選擇寶塔氣嘴或螺紋安裝。

 

微壓壓力變送器

上一產品:沒有了
下一產品:沒有了

微壓壓力變送器-相關產品列表

南京能兆是法國KIMO產品代理,同時也是儀器儀表廠家, 提供:風速儀,高溫風速儀風量儀,無紙記錄儀超聲波流量計,溫度巡檢儀,微壓差計 等產品.
本站版權-仿冒必究 Copyright ©2008-2038 南京能兆科技有限公司 蘇ICP備08004781號 蘇ICP備08004781號-2
電話:025-52071378  傳真:025-52071637(周一至周五:8:30-17:30) 網站地圖
銷售熱線:025-52071378(周一至周日:8:30-20:30)
電子信箱:23019869qq.com 網址:www.futailai.com.cn
點
擊這里給我發消息 點擊這里給我發消息 點擊這里給我發消息
主站蜘蛛池模板: 当涂县| 夏河县| 勐海县| 仲巴县| 黄平县| 安丘市| 绩溪县| 庆安县| 文昌市| 马尔康县| 梁山县| 额济纳旗| 双峰县| 临清市| 承德县| 南宫市| 施甸县| 织金县| 格尔木市| 娄底市| 迁安市| 灵宝市| 安仁县| 玉环县| 平阳县| 西平县| 同仁县| 宜兰县| 吴堡县| 清河县| 宜州市| 梅河口市| 临猗县| 石门县| 无极县| 浦江县| 东明县| 镇平县| 平阳县| 石柱| 和平区|