搡bbb搡bbbb搡bbbb,欧洲片女子奶大有奶水,日本老师扒裙子打光屁股,李蕾丽与黑人无删减版,yellow在线观看视频,卿本佳人电影未删版下载,太太万岁在线观看完整版免费 ,免费的黄色视屏
全國銷售熱線:025-52071378 / 84059708
[手機訪問請點擊這里-進入-手機版]  []
 當前位置:首頁 >>> 產品中心 >>> 專用型壓力變送器 >>> 泥漿泵壓力變送器 - 正文

泥漿泵壓力變送器-詳細介紹

   歡迎撥打“全國銷售熱線:025-52071378”,交流技術與使用問題,并獲取“電子版詳細使用說明書,價格與正式報價”!
點擊這里給我發消息
點擊這里給我發消息
點擊這里給我發消息

泥漿泵壓力變送器

 

產品簡介:

泥漿泵壓力變送器是專門為油田測井、鉆井、錄井過程中,泥漿易堵塞引壓孔,強振動和高溫的惡劣特殊環境而設計的。測量端采用堅固處理的不銹鋼齊平大膜片,穩定可靠的離子束濺射薄膜工藝。壓力和溫度信號經過數字“CPU”精密補償。傳感器精度高、耐腐蝕,抗振動、抗微粒沖擊、工作溫度范圍寬,超長工作壽命。在各大油田應用良好。

產品應用:

泥漿泵專用
油田鉆井、測井、錄井、近海石油開采平臺
軍用大型柴油機、發動機
其它需要防堵,高強振動和高溫的工業現場。

技術參數:

被測介質

對 316L 不銹鋼不腐蝕的氣體和液體

壓力類型

絕對壓力、密封參考壓力、通氣表壓力

量程

0~1MPa~5MPa~10MPa~25MPa~35MPa~40MPa~60MPa~70MPa~105MPa~110MPa

供電電源

24VDC ( 10~30 VDC )

輸出信號

4-20mA 、 1-5VDC 、 0-5VDC 可選擇

頻率響應

≤1kHz (典型值)

非線性

0.05%FS

重復性

0.05%FS

準確度

0.1%FS 、 0.2%FS 、 0.5% FS 可選擇

長期穩定性

0.1%FS/ 年(典型值)

工作溫度

-40~85℃ / 125℃ / 150℃ / 250℃ 可選擇

絕緣電阻

≥500 MΩ/100VDC

安全過載壓力

150%FS ( 1.5 倍滿量程)

破壞壓力

300%FS ( 3 倍滿量程)

振動

5~1000Hz,振幅 2mm,X、Y、Z 每向 30 分鐘,輸出變化小于 0.1%FS

沖擊

50g ; X 、 Y 、 Z 三向,每向 20ms ;輸出變化小于 0.1%FS

連接方式

1/2NPT 、 M20×1.5 或指定

接液材料

17-4PH 不銹鋼、過程連接件: 1Cr18Ni9Ti

相對濕度

0~95% RH

外殼防護等級

IP65

出線方式

航空接插件或直接密封引線



選型信息:

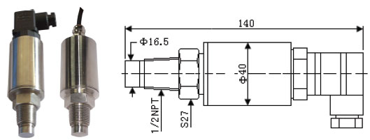
型號:NZ-T235B…
專業的平膜片結構,抗強振動和高溫影響,抗壓力過載和頻繁沖擊。本系列產品壽命長,解決了泥漿泵壓力傳感器損壞頻繁的問題。

 

泥漿泵壓力變送器

 

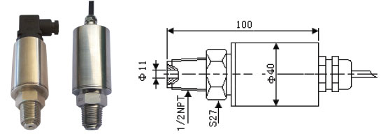
型號:NZ-T235C…
專業的抗振動,抗干擾設計,抗過載和頻繁壓力沖擊。11mm 直徑的引壓孔防止堵塞,可使用溫度范圍-40~125℃,直接密封引線,可選擇M20x1.5 外螺紋。本系列產品壽命長,媲美大部分進口壓力傳感器。

 

泥漿泵壓力變送器

上一產品:沒有了
下一產品:沒有了

泥漿泵壓力變送器-相關產品列表

南京能兆是法國KIMO產品代理,同時也是儀器儀表廠家, 提供:風速儀高溫風速儀風量儀無紙記錄儀超聲波流量計溫度巡檢儀微壓差計 等產品.
本站版權-仿冒必究 Copyright ©2008-2038 南京能兆科技有限公司 蘇ICP備08004781號 蘇ICP備08004781號-2
電話:025-52071378  傳真:025-52071637(周一至周五:8:30-17:30) 網站地圖
銷售熱線:025-52071378(周一至周日:8:30-20:30)
電子信箱:23019869qq.com 網址:www.futailai.com.cn
點
擊這里給我發消息 點擊這里給我發消息 點擊這里給我發消息
主站蜘蛛池模板: 夏津县| 庆元县| 建宁县| 库车县| 稻城县| 门源| 商水县| 巢湖市| 定西市| 望江县| 县级市| 张北县| 双鸭山市| 巴青县| 鲁甸县| 鄯善县| 和政县| 休宁县| 望谟县| 平南县| 汕尾市| 唐海县| 闽清县| 铜陵市| 榆社县| 偃师市| 达孜县| 广东省| 竹溪县| 大英县| 马山县| 临沭县| 翁牛特旗| 乐平市| 呼图壁县| 威远县| 于田县| 苏尼特左旗| 龙陵县| 水富县| 抚远县|