搡bbb搡bbbb搡bbbb,欧洲片女子奶大有奶水,日本老师扒裙子打光屁股,李蕾丽与黑人无删减版,yellow在线观看视频,卿本佳人电影未删版下载,太太万岁在线观看完整版免费 ,免费的黄色视屏
全國銷售熱線:025-52071378 / 84059708
[手機訪問請點擊這里-進入-手機版]  []
 當前位置:首頁 >>> 產品中心 >>> 智能型壓力變送器 >>> 智能壓力變送器 - 正文

智能壓力變送器-詳細介紹

   歡迎撥打“全國銷售熱線:025-52071378”,交流技術與使用問題,并獲取“電子版詳細使用說明書,價格與正式報價”!
點擊這里給我發消息
點擊這里給我發消息
點擊這里給我發消息

智能壓力變送器

產品簡介:

 

智能壓力變送器是一款高精度、高穩定性的智能化壓力測量產品。采用高性能硅壓阻壓力傳感器,先進的精密數字化溫度補償和非線性修正技術,保證傳感器的高精度和可靠性,寬量程范圍,適用于各行業需要對氣、液流體壓力進行精密測量的場所,智能總線組網,方便又節省了成本。是工業自動化領域理想的壓力測控儀表.

 

產品應用:

 

水利、石油、化工
電力、冶金、制藥、食品
國防科研與實驗室校驗、軍事、航空航天
高端設備配套、工程項目配套
工業現場監測與控制

 

技術參數:

 

被測介質 對 316L 不銹鋼不腐蝕的氣體 , 液體及蒸汽
壓力類型 絕對壓力、密封參考壓力、通氣表壓力
量程 -100KPa~0~50Pa…100kPa…1MPa…100MPa 之間任意可選
供電電源 10-32VDC
壓力輸出信號 4-20mA (Hart協議)、RS485(MODBUS 協議)、USB、CANOPEN 可約定
準確度 0.05%、0.075%FS、±0.1%FS、±0.2%FS 可選
長期穩定性 0.1%FS/ 年(典型值)
工作溫度 -40~85℃
補償溫度 -15~75℃
響應時間 ≤1 毫秒(典型值)
絕緣電阻 ≥500 MΩ/100V
帶負載能力 4~20mADC 輸出,不能大 250Ω ; RS485 總線可掛接 80 個變送器
安全過載壓力 150%FS (1.5 倍滿量程,特殊: 5 倍滿量程)
破壞壓力 300%FS (3 倍滿量程,特殊 20 倍滿量程)
振動 5~1000Hz ,振幅 2mm,X、Y、Z 每向 30 分鐘,輸出變化小于 0.1%FS
沖擊 50g ; X、Y、Z 三向,每向 20ms ;輸出變化小于 0.1%FS
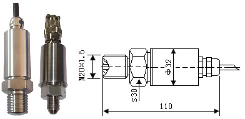
連接方式 M20×1.5、M16×1.5、M14×1.5、M10×1、G1/4 或指定
接液材料 膜片: 316L 不銹鋼;過程連接件: 1Cr18Ni9Ti
相對濕度 0~100% RH
外殼防護等級 IP67
電氣輸出引線 DIN 的 Hirschmann 連接器、航空插件、防水密封鎖頭

 

選型信息:

 

型號:NZ-T132G… HART 智能壓力變送器
高精度的硅壓阻壓力傳感器,鑄鋁外殼,良好的密封性;可選擇液晶LCD或數碼管LED顯示方式,4-20mA電流信號輸出,HART通訊協議。

 

智能壓力變送器

 

型號:NZ-T132H…RS485 智能壓力變送器
精巧型一體化設計,激光焊接密封,防護性能好。智能電路補償修正,RS485 智能總線,可掛接80 個變送器。是各種工業惡劣環境下的高標準壓力測量產品。

 

智能壓力變送器

 

NZ-T132G…CAN 總線壓力變送器
全不銹鋼焊接結構,良好的密封性和防護性能,與國際接軌的CANOPEN 總線協議,非常適應各種野外、車載等工業惡劣環境,防雷擊、抗干擾,航空接插件或直接引線。

 

智能壓力變送器

 

RS485 接口型變送器軟件
通過RS485/232 轉換模塊,用于對RS485 接口型變送器讀取內部基本信息(包括液位量程和溫度補償范圍、版本等),顯示實際液位值、設置新零點、程控設置模擬輸出、設置儀表地址等。

 

智能壓力變送器

 

HART 協議型變送器軟件

 

智能壓力變送器

上一產品:沒有了
下一產品:沒有了

智能壓力變送器-相關產品列表

南京能兆是法國KIMO產品代理,同時也是儀器儀表廠家, 提供:風速儀高溫風速儀風量儀無紙記錄儀超聲波流量計溫度巡檢儀微壓差計 等產品.
本站版權-仿冒必究 Copyright ©2008-2038 南京能兆科技有限公司 蘇ICP備08004781號 蘇ICP備08004781號-2
電話:025-52071378  傳真:025-52071637(周一至周五:8:30-17:30) 網站地圖
銷售熱線:025-52071378(周一至周日:8:30-20:30)
電子信箱:23019869qq.com 網址:www.futailai.com.cn
點
擊這里給我發消息 點擊這里給我發消息 點擊這里給我發消息
主站蜘蛛池模板: 濉溪县| 闵行区| 扎赉特旗| 温泉县| 浦县| 揭西县| 乌兰县| 武穴市| 晋中市| 安顺市| 宿松县| 曲阜市| 阜城县| 邢台市| 辽宁省| 文水县| 常山县| 盐城市| 曲周县| 久治县| 富顺县| 柳州市| 兰溪市| 黎城县| 禹城市| 镇江市| 宣汉县| 沙河市| 华安县| 三亚市| 牡丹江市| 建水县| 南乐县| 吴川市| 都江堰市| 沂源县| 甘孜| 和田县| 鹿邑县| 玛纳斯县| 松江区|