搡bbb搡bbbb搡bbbb,欧洲片女子奶大有奶水,日本老师扒裙子打光屁股,李蕾丽与黑人无删减版,yellow在线观看视频,卿本佳人电影未删版下载,太太万岁在线观看完整版免费 ,免费的黄色视屏
全國銷售熱線:025-52071378 / 84059708
[手機訪問請點擊這里-進入-手機版]  []
 當前位置:首頁 >>> 產品中心 >>> 壓力式液位變送器 >>> 壓力式智能液位變送器 - 正文

壓力式智能液位變送器-詳細介紹

   歡迎撥打“全國銷售熱線:025-52071378”,交流技術與使用問題,并獲取“電子版詳細使用說明書,價格與正式報價”!
點擊這里給我發消息
點擊這里給我發消息
點擊這里給我發消息

壓力式智能液位變送器

產品簡介:

 

智能液位變送器是利用數字技術,對現場液位和溫度信號實時采集,經CPU 進行運算補償和參數修正,由D/A 電路轉換為高精度兩線制4~20mA 模擬信號及RS485 數字接口信號,保證了產品的高精度和高可靠性。液位變送器的零點、滿度、單位、地址等參數對用戶開放,以便用戶能夠在需要對產品進行調校,或需要對多臺產品同時監測時,通過RS485 接口及專用數據電纜和軟件,進行現場無壓標定和調校。具有防潮,防結露、防滲漏功能、堅固、抗雷擊、抗強電磁變頻干擾的特點。

 

產品應用:

 

恒壓供水、儲水、排水、污水處理系統、城市地下水
湖泊、水庫、大壩的滲壓液位
敞口油罐、循環水、水塔、冷卻液等的液位測量

 

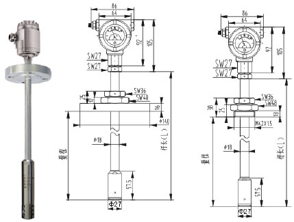
技術參數:

 

測量范圍 0 ~ 0.5m … 2m … 5m … 10m … 15m … 500m 之間任意可選
過載能力 量程的 3 倍
供電范圍 12 ~ 36VDC
信號輸出 4 ~ 20mADC 兩線、數字信號: RS485 、 RS232
準確度 0.075%FS 、 0.1%FS 、 0.2%FS 、 0.5%FS ( 包括非線性、重復型、遲滯 )
分辨率 0.01%FS
溫度誤差 ≤0.008%FS/℃(-20 ~ + 70℃ ) ; ≤±0.02%FS/℃(-20 ~ -30℃ )
穩定性誤差 ≤±0.1%FS/ 年(典型值)
環境溫度 -30 ~ + 70℃
介質溫度 -30 ~ + 80℃ 高溫型( -20 ~ + 150℃ / 250℃ )
貯存溫度 -30 ~ + 85℃
防護等級 IP68
接口及殼體 不銹鋼 1Cr18Ni9Ti
傳感器膜片 316L 不銹鋼、 96% 氧化鋁陶瓷
密封件 全一體不銹鋼結構,無塑料密封件
橡膠套管 丁晴橡膠
電纜 Φ 7.5mm 聚乙烯 ( 或聚氨酯 ) 導氣電纜
安裝方式 投入式、法蘭 DN50 、法蘭 DN80 或指定
顯示 4 位 LED 或 4 位 LCD 顯示
接線 紅色線:電源正 黑色線:電源負 裸線:屏蔽

 

選型信息:

 

NZ-T127E 投入式液位變送器
高精度壓阻硅傳感器,導氣電纜投入式,小型防水接線盒,方便安裝,經濟適用。抗電磁和射頻干擾,具有防雷設計,非常適合野外湖泊、水庫、大壩、地下水、污水處理廠等的液位測量。

 

壓力式智能液位變送器

 


NZ-T127F智能液位變送器
探頭連接電纜投入式,法蘭安裝接線盒,4 位LED 或LCD 現場顯示可選擇。纜式結構方便現場安裝。抗干擾和防雷設計。高智能電路,可現場標定和調校,準確度最高0.1%FS。非常適合野外湖泊、水庫、大壩、自來水廠、污水處理廠、城市地下水、循環水等的液位測量。

 

壓力式智能液位變送器

 

 

NZ-T127G 桿式液位變送器
金屬不銹鋼桿(可選擇聚四氟材料)插入式,主要用于油罐,食品罐、儲罐等,同時需要衛生、防腐蝕的場合使用。

 

壓力式智能液位變送器

 


NZ-T3051GP… 法蘭液位變送器
采用電容式高精度壓力傳感器,智能電路調校,可用于測量0-50mm…50m 的液位。可選擇316 不銹鋼、鉭、蒙乃爾、哈氏合金C、鈦合金等膜片,特別適合需要有衛生要求,液體粘稠度較大、腐蝕性很強的酸堿溶液等。

 

壓力式智能液位變送器

 

NZ-T445A 法蘭靜壓式液位變送器
采用高精度陶瓷電容壓力傳感器或單晶硅壓力傳感器,智能電路調校,陶瓷膜片防腐蝕,特別適合需要有衛生要求,液體粘稠度較大液位測量。可選擇法蘭DN100、DN80、DN50、DN40、DN30,或指定。

 

壓力式智能液位變送器

 


RS485 接口型變送器軟件
通過RS485/232 轉換模塊,用于對RS485 接口型變送器讀取內部基本信息(包括液位量程和溫度補償范圍、版本等),顯示實際液位值、設置新零點、程控設置模擬輸出、設置儀表地址等。

 

壓力式智能液位變送器

上一產品:沒有了
下一產品:NZ300投入式靜壓液位計

壓力式智能液位變送器-相關產品列表

南京能兆是法國KIMO產品代理,同時也是儀器儀表廠家, 提供:風速儀高溫風速儀風量儀無紙記錄儀超聲波流量計溫度巡檢儀微壓差計 等產品.
本站版權-仿冒必究 Copyright ©2008-2038 南京能兆科技有限公司 蘇ICP備08004781號 蘇ICP備08004781號-2
電話:025-52071378  傳真:025-52071637(周一至周五:8:30-17:30) 網站地圖
銷售熱線:025-52071378(周一至周日:8:30-20:30)
電子信箱:23019869qq.com 網址:www.futailai.com.cn
點
擊這里給我發消息 點擊這里給我發消息 點擊這里給我發消息
主站蜘蛛池模板: 郧西县| 玉门市| 金门县| 崇阳县| 邵东县| 罗田县| 集贤县| 江陵县| 洛川县| 衡山县| 黔江区| 疏附县| 二连浩特市| 永修县| 雷山县| 昭苏县| 安顺市| 嘉义县| 香河县| 民乐县| 子长县| 庆城县| 尼勒克县| 兴宁市| 达尔| 石嘴山市| 天津市| 清河县| 安阳县| 德江县| 北安市| 高尔夫| 崇左市| 江陵县| 西藏| 鄂温| 山西省| 武穴市| 淳安县| 高淳县| 买车|