一、簡介
GW100-D耐溫型溫濕度測量變送模塊,溫濕度傳感器耐溫至200度,電路板無外殼(可選),分體插入式安裝;溫度、濕度兩路4-20mA電流信號輸出。專為工業應用而設計的溫濕度變送器,適合設備配套使用,傳感器采用數字濕度測量元件,具有測量準確、適應溫度范圍廣、工作穩定、使用壽命長等特點。
溫濕度傳感器可耐溫至200℃;
GW100-D采用的濕度芯片具有溫度耐受能力,可以長時間工作在200℃以內的中性氣體介質環境中。
二、技術指標
|
濕度范圍 |
0~100%RH 或者 0~40%vol(濕度輸出體積比) |
|
溫度范圍 |
-20~ 200 ℃ |
|
濕度精度 |
± 2%RH |
|
溫度精度 |
± 0.3 ℃ |
|
響應時間 |
≤ 15s |
|
輸出信號 |
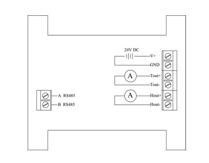
4-20mA 電流信號 /RS485 接口 |
|
供電電壓 |
24V DC |
三、特點
● 測量量程0~100%RH ;
● 可現場校正;
● 溫度、濕度、露點,混合比,絕對濕度等 4~20mA 電流信號輸出可選;
● 測量準確 —— 傳感器內置原裝測量芯片,具有測量準確性;
● 測量范圍廣 —— 溫度測量范圍可達 -20~200℃ ;
● 數字接口 —— 配備 RS485 數字接口,可實現實時通訊,精度校準,多點監測等功能;
四、現場校正
GW100-D 出廠時已經過多點校正。還可以通過 485 接口及調整軟件進入現場校正菜單進行現場多點校正。您還可以將變送器送至我公司進行校準。
五、應用領域
工業現場測量、石油化工氣體排放檢測、熱電氣體排放檢測、煙草工業、烘干箱、環境試驗箱。。。。。。
六、技術指標
|
濕度測量 |
GW100-D |
|
|
濕度測量范圍 |
0-100%RH 或者 0~40%vol(濕度輸出體積比) |
|
|
濕度精度 @25 ℃ |
± 2%RH ( 20% RH…80% RH ) |
|
|
濕度重復性 |
± 0.1%RH |
|
|
濕度長期穩定性 |
<0.5%RH |
|
|
濕度響應時間( tau 63% ) |
15s |
|
|
溫度測量 |
GW100-D |
|
|
溫度測量范圍 |
-20 ℃ ~ 200 ℃ |
|
|
溫度精度 |
± 0.2 ℃ @25 ℃ |
|
|
溫度重復性 |
± 0.1 ℃ |
|
|
溫度長期穩定性 |
< 0.04 ℃ |
|
|
溫度響應時間( tau 63% ) |
30s |
|
|
|
||
|
供電 / 連接 |
GW100-D |
|
|
供電電壓 |
24V DC ± 10% |
|
|
電流消耗 |
Max 80mA |
|
|
電氣連接 |
接線端子 |
|
|
輸出 / 參數 |
GW100-D |
|
|
參數計算 |
溫度、濕度 、露點,混合比,絕對濕度可選 |
|
|
模擬信號輸出 |
4-20mA |
|
|
數字接口 |
RS485 MODBUS RTU |
|
|
負載 |
≤ 500 Ω |
|
|
探頭材質 |
不銹鋼 304 |
|
|
變送器工作溫度 |
-20~ 60 ℃ |
|
|
安裝方式 |
管道螺紋 / 管道法蘭 |
|
|
zui大接線尺寸 |
1.5mm ² |
|
|
附件 |
無 |
|
七、接線說明
八、安裝尺寸
探桿尺寸圖:
九、注意事項
1 、供電電壓為 24VDC 。
2 、不要用力拉扯探頭引線。
3 、如在 90%RH 以上濕度條件下測量,注意環境通風,防止探頭部分結露,影響測量。
4 、未經廠家許可,嚴禁打開變送器外殼。以防損壞變送器電路。









qq.com 網址:www.futailai.com.cn